
Taco antivibración tipo A
El taco antivibración tipo A es un componente de caucho de alto rendimiento diseñado para amortiguar las vibraciones e impactos generados por maquinaria, motores y equipos industriales. Se fabrica en diferentes formulaciones de caucho —EPDM, NBR, SBR o neopreno— según las necesidades de la aplicación.
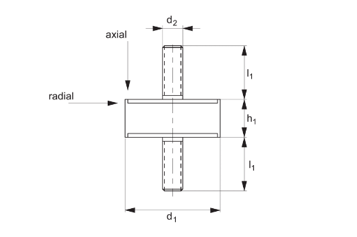
Absorbe eficazmente las vibraciones tanto en el eje vertical como en el horizontal, reduce el nivel de ruido y prolonga la vida útil de los equipos. Gracias a sus múltiples opciones de medidas y durezas, se adapta sin dificultad a diferentes aplicaciones industriales.
Amortiguador antivibración tipo A
Taco antivibración
El taco antivibración tipo A es un componente de caucho de alto rendimiento diseñado para minimizar la vibración, los impactos y el ruido generados por maquinaria industrial, motores, generadores, compresores y equipos pesados. Su diseño tipo A permite absorber eficazmente las vibraciones tanto en el eje vertical como en el horizontal, proporcionando una excelente aislación y estabilidad entre la máquina y la superficie de montaje.
Los tacos antivibración tipo A se fabrican con materiales de caucho altamente resistentes como EPDM, NBR, SBR y neopreno. Estos materiales ofrecen:
- alta elasticidad y resistencia mecánica,
- resistencia a aceites,
- resistencia al ozono y a los rayos UV,
- estabilidad a altas temperaturas,
- resistencia química.
Gracias a estas propiedades, los tacos tipo A garantizan un rendimiento duradero en aplicaciones industriales y de maquinaria pesada, además de prolongar la vida útil del equipo.
Aplicaciones
- Máquinas industriales y líneas de producción
- Montaje de compresores y generadores
- Bases de motores y bombas
- Paneles eléctricos y unidades de control
- Sistemas de climatización y ventilación
- Grúas y equipos de elevación de cargas pesadas
- Instalación de equipos y dispositivos sensibles de laboratorio
Ventajas
- Máxima capacidad de amortiguación de vibraciones y reducción de ruido
- Diseño tipo A que ofrece alta estabilidad y durabilidad
- Instalación sencilla y larga vida útil
- Disponibilidad en distintas medidas, durezas y materiales de caucho
- Estructura amortiguadora y antideslizante, garantizando un uso seguro
- Prolonga la vida útil de maquinaria y equipos, reduciendo los costos de mantenimiento
- Proporciona un aislamiento vibratorio eficaz y control de vibraciones en entornos industriales
- Ideal para aplicaciones de maquinaria pesada, automoción, bombas, generadores, compresores y motores
Los tacos antivibración tipo A se utilizan ampliamente como amortiguadores de vibración industrial, tacos de caucho antivibración, aisladores para maquinaria, tacos para motores, compresores y generadores, así como elementos reductores de ruido. Gracias a la posibilidad de fabricar en medidas, durezas y materiales personalizados (EPDM, NBR, SBR, neopreno), estos tacos pueden adaptarse a cualquier tipo de máquina o equipo. Los precios de los tacos tipo A varían según las dimensiones y el material seleccionado.
| Código Rubbersan | Producto | Medidas | Perno |
|---|
| 010 | 6*7 – M.3 | 6*7 | M.3 |
| 011 | 8*8 – M.3 | 8*8 | M.3 |
| 012 | 10*5 – M.4 | 10*5 | M.4 |
| 013 | 10*8 – M.4 | 10*8 | M.4 |
| 014 | 10*10 – M.4 | 10*10 | M.4 |
| 015 | 10*13 – M.4 | 10*13 | M.4 |
| 016 | 10*15 – M.4 | 10*15 | M.4 |
| 017 | 10*20 – M.4 | 10*20 | M.4 |
| 018 | 15*5 – M.4 | 15*5 | M.4 |
| 019 | 15*8 – M.4 | 15*8 | M.4 |
| 020 | 15*10 – M.4 | 15*10 | M.4 |
| 021 | 15*15 – M.4 | 15*15 | M.4 |
| 022 | 15*20 – M.4 | 15*20 | M.4 |
| 023 | 15*25 – M.4 | 15*25 | M.4 |
| 024 | 18*15 – M.6 | 18*15 | M.6 |
| 025 | 20*8 – M.6 | 20*8 | M.6 |
| 026 | 20*10 – M.6 | 20*10 | M.6 |
| 027 | 20*13 – M.6 | 20*13 | M.6 |
| 028 | 20*15 – M.6 | 20*15 | M.6 |
| 029 | 20*20 – M.6 | 20*20 | M.6 |
| 030 | 20*25 – M.6 | 20*25 | M.6 |
| 031 | 20*30 – M.6 | 20*30 | M.6 |
| 032 | 20*40 – M.6 | 20*40 | M.6 |
| 033 | 20*50 – M.6 | 20*50 | M.6 |
| 034 | 25*8 – M.6 | 25*8 | M.6 |
| 035 | 25*10 – M.6 | 25*10 | M.6 |
| 036 | 25*15 – M.6 | 25*15 | M.6 |
| 037 | 25*17 – M.6 | 25*17 | M.6 |
| 038 | 25*20 – M.6 | 25*20 | M.6 |
| 039 | 25*25 – M.6 | 25*25 | M.6 |
| 040 | 25*30 – M.6 | 25*30 | M.6 |
| 041 | 25*40 – M.6 | 25*40 | M.6 |
| 042 | 25*50 – M.6 | 25*50 | M.6 |
| 043 | 30*10 – M.8 | 30*10 | M.8 |
| 044 | 30*15 – M.8 | 30*15 | M.8 |
| 045 | 30*20 – M.8 | 30*20 | M.8 |
| 046 | 30*25 – M.8 | 30*25 | M.8 |
| 047 | 30*30 – M.8 | 30*30 | M.8 |
| 048 | 30*35 – M.8 | 30*35 | M.8 |
| 049 | 30*40 – M.8 | 30*40 | M.8 |
| 050 | 30*50 – M.8 | 30*50 | M.8 |
| 051 | 35*30 – M.8 | 35*30 | M.8 |
| 052 | 40*10 – M.8 | 40*10 | M.8 |
| 053 | 40*15 – M.8 | 40*15 | M.8 |
| 054 | 40*18 – M.8 | 40*18 | M.8 |
| 055 | 40*20 – M.8 | 40*20 | M.8 |
| 056 | 40*25 – M.8 | 40*25 | M.8 |
| 057 | 40*30 – M.8 | 40*30 | M.8 |
| 058 | 40*35 – M.8 | 40*35 | M.8 |
| 059 | 40*40 – M.8 | 40*40 | M.8 |
| 060 | 40*45 – M.8 | 40*45 | M.8 |
| 061 | 40*50 – M.8 | 40*50 | M.8 |
| 062 | 45*30 – M.8 | 45*30 | M.8 |
| 063 | 50*10 – M.10 | 50*10 | M.10 |
| 064 | 50*15 – M.10 | 50*15 | M.10 |
| 065 | 50*20 – M.10 | 50*20 | M.10 |
| 066 | 50*25 – M.10 | 50*25 | M.10 |
| 067 | 50*30 – M.10 | 50*30 | M.10 |
| 068 | 50*35 – M.10 | 50*35 | M.10 |
| 069 | 50*40 – M.10 | 50*40 | M.10 |
| 070 | 50*45 – M.10 | 50*45 | M.10 |
| 071 | 50*50 – M.10 | 50*50 | M.10 |
| 072 | 50*55 – M.10 | 50*55 | M.10 |
| 073 | 50*60 – M.10 | 50*60 | M.10 |
| 074 | 50*65 – M.10 | 50*65 | M.10 |
| 075 | 50*70 – M.10 | 50*70 | M.10 |
| 076 | 50*80 – M.10 | 50*80 | M.10 |
| 077 | 55*20 – M.10 | 55*20 | M.10 |
| 078 | 55*35 – M.10 | 55*35 | M.10 |
| 079 | 60*10 – M.10 | 60*10 | M.10 |
| 080 | 60*15 – M.10 | 60*15 | M.10 |
| 081 | 60*20 – M.10 | 60*20 | M.10 |
| 082 | 60*25 – M.10 | 60*25 | M.10 |
| 083 | 60*30 – M.10 | 60*30 | M.10 |
| 084 | 60*35 – M.10 | 60*35 | M.10 |
| 085 | 60*40 – M.10 | 60*40 | M.10 |
| 086 | 60*45 – M.10 | 60*45 | M.10 |
| 087 | 60*50 – M.10 | 60*50 | M.10 |
| 088 | 60*55 – M.10 | 60*55 | M.10 |
| 089 | 60*60 – M.10 | 60*60 | M.10 |
| 090 | 65*40 – M.10 | 65*40 | M.10 |
| 091 | 70*20 – M.12 | 70*20 | M.12 |
| 092 | 70*25 – M.12 | 70*25 | M.12 |
| 093 | 70*30 – M.12 | 70*30 | M.12 |
| 094 | 70*35 – M.12 | 70*35 | M.12 |
| 095 | 70*40 – M.12 | 70*40 | M.12 |
| 096 | 70*45 – M.12 | 70*45 | M.12 |
| 097 | 70*50 – M.12 | 70*50 | M.12 |
| 098 | 70*55 – M.12 | 70*55 | M.12 |
| 099 | 70*60 – M.12 | 70*60 | M.12 |
| 100 | 70*70 – M.12 | 70*70 | M.12 |
| 101 | 75*20 – M.12 | 75*20 | M.12 |
| 102 | 75*25 – M.12 | 75*25 | M.12 |
| 103 | 75*30 – M.12 | 75*30 | M.12 |
| 104 | 75*35 – M.12 | 75*35 | M.12 |
| 105 | 75*40 – M.12 | 75*40 | M.12 |
| 106 | 75*45 – M.12 | 75*45 | M.12 |
| 107 | 75*50 – M.12 | 75*50 | M.12 |
| 108 | 75*55 – M.12 | 75*55 | M.12 |
| 109 | 75*60 – M.12 | 75*60 | M.12 |
| 110 | 75*75 – M.12 | 75*75 | M.12 |
| 111 | 80*25 – M.12 | 80*25 | M.12 |
| 112 | 80*30 – M.12 | 80*30 | M.12 |
| 113 | 80*35 – M.12 | 80*35 | M.12 |
| 114 | 80*40 – M.12 | 80*40 | M.12 |
| 115 | 80*45 – M.12 | 80*45 | M.12 |
| 116 | 80*50 – M.12 | 80*50 | M.12 |
| 117 | 80*55 – M.12 | 80*55 | M.12 |
| 118 | 80*60 – M.12 | 80*60 | M.12 |
| 119 | 80*65 – M.12 | 80*65 | M.12 |
| 120 | 80*70 – M.12 | 80*70 | M.12 |
| 121 | 80*80 – M.12 | 80*80 | M.12 |
| 122 | 80*90 – M.12 | 80*90 | M.12 |
| 123 | 80*100 – M.12 | 80*100 | M.12 |
| 124 | 90*55 – M.16 | 90*55 | M.16 |
| 125 | 100*25 – M.16 | 100*25 | M.16 |
| 126 | 100*30 – M.16 | 100*30 | M.16 |
| 127 | 100*35 – M.16 | 100*35 | M.16 |
| 128 | 100*40 – M.16 | 100*40 | M.16 |
| 129 | 100*45 – M.16 | 100*45 | M.16 |
| 130 | 100*50 – M.16 | 100*50 | M.16 |
| 131 | 100*55 – M.16 | 100*55 | M.16 |
| 132 | 100*60 – M.16 | 100*60 | M.16 |
| 133 | 100*65 – M.16 | 100*65 | M.16 |
| 134 | 100*70 – M.16 | 100*70 | M.16 |
| 135 | 100*75 – M.16 | 100*75 | M.16 |
| 136 | 100*80 – M.16 | 100*80 | M.16 |
| 137 | 100*100 – M.16 | 100*100 | M.16 |
| 138 | 120*30 – M.16 | 120*30 | M.16 |
| 139 | 120*35 – M.16 | 120*35 | M.16 |
| 140 | 120*40 – M.16 | 120*40 | M.16 |
| 141 | 120*45 – M.16 | 120*45 | M.16 |
| 142 | 120*50 – M.16 | 120*50 | M.16 |
| 143 | 120*55 – M.16 | 120*55 | M.16 |
| 144 | 120*60 – M.16 | 120*60 | M.16 |
| 145 | 120*70 – M.16 | 120*70 | M.16 |
| 146 | 120*80 – M.16 | 120*80 | M.16 |
| 147 | 120*100 – M.16 | 120*100 | M.16 |
| 148 | 120*120 – M.16 | 120*120 | M.16 |
| 149 | 130*35 – M.16 | 130*35 | M.16 |
| 150 | 130*50 – M.16 | 130*50 | M.16 |
| 151 | 130*60 – M.16 | 130*60 | M.16 |
| 152 | 140*40 – M.20 | 140*40 | M.20 |
| 153 | 140*50 – M.20 | 140*50 | M.20 |
| 154 | 140*60 – M.20 | 140*60 | M.20 |
| 155 | 140*70 – M.20 | 140*70 | M.20 |
| 156 | 150*50 – M.20 | 150*50 | M.20 |
| 157 | 150*60 – M.20 | 150*60 | M.20 |
| 158 | 150*75 – M.20 | 150*75 | M.20 |
| 159 | 150*100 – M.20 | 150*100 | M.20 |
| 160 | 200*50 – M.20 | 200*50 | M.20 |
| 161 | 200*60 – M.20 | 200*60 | M.20 |
| 162 | 200*70 – M.20 | 200*70 | M.20 |
| 163 | 200*80 – M.20 | 200*80 | M.20 |
| 164 | 200*90 – M.20 | 200*90 | M.20 |
| 165 | 200*100 – M.20 | 200*100 | M.20 |